Lamborghini Temerario Ad Personam
Ad Personam je Lamborghinijeva divizija za personalizaciju koja se brine za obradu i spoljašnjosti i unutrašnjosti. Ove nedelje su u Majamiju prikazali i specijalni Temerario sa specijalnom bojom, za koju proizvođač kaže da je razvijena posebno za ovaj automobil. Specijalna boja kombinuje nekoliko boja, uključujući Verde Shock, Nero Nemesis i Grigio Maat, i to na veoma jedinstven način.Kako se navodi, ovo je jedinstvena kreacija, pri čemu je majstorima Ad Personama bilo potrebno 320 sati...
Izvor: AutoBlog, 06.Dec.2025, 12:02
Porsche se priprema za oštrije rezove
Nemački proizvođač luksuznih automobila Porsche planira da intenzivira svoj program smanjenja troškova i traži dalekosežne ustupke od svoje radne snage, pišu lokalni mediji.Porsche je teško pogođen američkim tarifama i kolapsom luksuznog tržišta u Kini, dok je istovremeno sprovodio skupi zaokret na tržištu električnih vozila zbog nedostatka potražnje.Novi rezovi su fokusirani na glavnu fabriku Porschea u Cufenhauzenu, severno od Štutgarta, i na obližnji razvojni centar u Vajzahu, prema...
Izvor: AutoBlog, 06.Dec.2025, 10:02
Osvežena Toyota Corolla za evropsko tržište
Toyota je zvanično predstavila obnovljenu Corollu za kupce u Evropi, a noviteti su fokusirani na izgled i ekologiju.U paletu za ovaj model dodate su nove boje. Prvi put za Corollu, dostupna je mat Onyx siva za GR Sport hatchback i Touring Sports karavan, kao i nova Storm siva metalik boja.Kako navodi Klix.ba, fabrika Toyota Manufacturing UK u Barnastonu je postala prvi pogon koji je uveo radikalno novi Onyx sivi premaz za serijski automobil. Ova nova opcija boje će prvo biti dostupna u Velikoj Britaniji...
Izvor: AutoBlog, 06.Dec.2025, 08:02
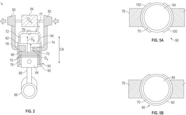
General Motors razvija dvotaktni motor?!
Dvotaktni motor je lakši, jednostavniji i može da pruži znatno više snage u odnosu na svoju veličinu. Upravo su te karakteristike naterale General Motors da revitalizuje tu tehnologiju. GM je patentirao svoj motor u SAD-u, izveštava Autoblog. Patentna prijava sugeriše da GM pokušava da reši najveći problem motora, a to su emisije. Običnom dvotaktnom motoru nedostaju uobičajeni ventili i bregaste osovine. Umesto toga, protok vazduha i gasa se kontroliše otvorima u zidu cilindra koje...
Izvor: AutoBlog, 06.Dec.2025, 02:35
"Ukleti" Lamborghini je nekako uspeo da se sam upali i skoro zabije u dvorac
Foto: Simon Kidston/InstagramČini se da život britanskog kolekcionara i trgovca automobilima Sajmona Kidstona nalikuje snu svakog automobilskog entuzijaste. Ipak, njegov legendarni Lamborghini Countach LP400 Periscopio iz 1977. mu je nedavno priuštio prilično jezivo iskustvo kada je odlučio da sam krene u noćnu vožnju, navodi Motor1.com.Kako piše Index.hr, iako je njegova celokupna kolekcija impresivna, upravo je Countach LP400, model bez kasnijih agresivnih aerodinamičkih dodataka i bliži...
Izvor: AutoBlog, 06.Dec.2025, 02:03
Changan Qiyuan Q05: Početak prodaje u Kini po osnovnoj ceni manjoj od 10.000 evra
Pre nepuna dva meseca pisali smo o Changanovom električnom crossoveru Q05 u paleti podbrenda Qiyuan (poznat kao Nevo na izvoznim tržištima). U oktobru je Changan održao prezentaciju za kineske novinare, najavljujući početak “slepih” narudžbina – odnosno, bez objavljenog cenovnika. Novi model je imao svoju javnu premijeru na nedavno završenom sajmu automobila u Guangzhouu. Sada je u Kini počela prodaja uz objavljivanje svih nivoa opreme.Treba podsetiti da se u ponudi Changan Qiyuana...
Izvor: AutoBlog, 06.Dec.2025, 00:53















